Dual type evaporator

Dual type evaporator

  • Evaporator: By transferring heat to a refrigerant (such as liquid refrigerant), it evaporates into a gaseous state, thereby reducing the temperature of the surrounding air or liquid. The liquid refrigerant inside the evaporator vaporizes after absorbing heat, forming low-temperature and low-pressure steam, thereby achieving refrigeration effect.

Order phone:+86-19866698773‬
E-mail:lvsong@lvsongtrade.com

Product Overview


The main function of an evaporator is to absorb heat from the liquid refrigerant in the system, converting it into steam and producing a cooling effect. In the refrigeration cycle, the evaporator is a component that absorbs heat and achieves refrigeration by reducing the temperature of the surrounding air or liquid.

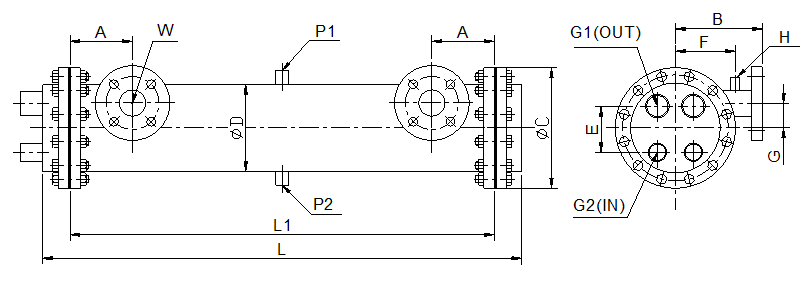
Product Structure Diagram


Dual type evaporator

CAPACITY 10RT TO 50RT


型号制冷量外形尺寸 DIMENSION (mm)重量进出口直径 CONNECTION (INCHES)
MODELSREFRIG. TONKILOWATTDL1LACEBFGWEIGHTG1G2WP1P2H
(RT)(kW)(kg)FFRcRcRc
EV10D1505+535.168168101611161502409022011043897/8"5/8"2"3/4"3/4"3/8"
EV16D2008+856.268821912191319150295100220110701051-1/8"5/8"2"3/4"3/4"3/8"
EV20D20010+1070.33621915241624150295100220110651201-3/8"5/8"2-1/2"3/4"3/4"3/8"
EV30D20015+15105.50421915241624200295100220125601851-5/8"7/8"3"3/4"3/4"3/8"
EV40D25020+20140.67227318291970200360125250125862122-1/8"7/8"3"3/4"3/4"3/8"
EV50D25025+25175.8427318291970200360125250125862652-1/8"1-1/8"3"3/4"3/4"3/8"

CAPACITY 60RT TO 200RT


型号制冷量外形尺寸 DIMENSION (mm)重量进出口直径 CONNECTION (INCHES)
MODELSREFRIG. TONKILOWATTDL1LACEBFGWEIGHTG1G2WP1P2H
(RT)(kW)(kg)FFRcRcRc
EV60D30030+30211.00832518291969225406150320160952902-1/8"1-3/8"4"3/4"3/4"3/8"
EV70D30035+35246.17632518291969225406150320160953272-5/8"1-3/8"4"3/4"3/4"3/8"
EV80D30040+40281.34432518291969225406150320160953452-5/8"1-3/8"4"3/4"3/4"3/8"
EV90D30045+45316.51232518291969225406150320160954412-5/8"1-3/8"4"3/4"3/4"3/8"
EV100D35050+50351.68356254026802254401654002001105232-5/8"1-3/8"5"3/4"3/4"3/8"
EV110D35055+55386.848356254026802254401654002001105392-5/8"1-3/8"5"3/4"3/4"3/8"
EV120D35060+60422.016356254026802254401654002001106022-5/8"1-3/8"5"3/4"3/4"3/8"
EV130D35065+65457.184356254026802254401654002001106202-5/8"1-3/8"5"3/4"3/4"3/8"
EV140D35070+70492.352356254026802254401654002001106372-5/8"1-5/8"5"3/4"3/4"3/8"
EV150D35075+75527.52356254026802254401654002001106522-5/8"1-5/8"5"3/4"3/4"3/8"
EV160D40080+80562.688426254026802505201804102001206893-1/8"2-1/8"5"3/4"3/4"3/8"
EV180D40090+90633.024426254026802505201804102001207143-1/8"2-1/8"5"3/4"3/4"3/8"
EV200D400100+100703.36426254026802505201804102001207453-1/8"2-1/8"5"3/4"3/4"3/8"
    123423
Tiantian

More Related Products

Get In Touch

Send Your Message